
倘若您有什么疑問或是對我公司有任何
的意見和建議都可通過:
的意見和建議都可通過:
公司名稱: 鞏義市西村鎮華豐給排水材料廠
公司地址: 河南省鞏義市西村開發區
電話: 0371-64033589
手機: 18638168566,13683712868
13783416000(技術)
聯系人: 王先生,位女士
郵政編碼: 451200
E-MAIL: 1696257948@qq.com
網址:http://www.chinasck.com/
網址:http://www.chinasck.com/
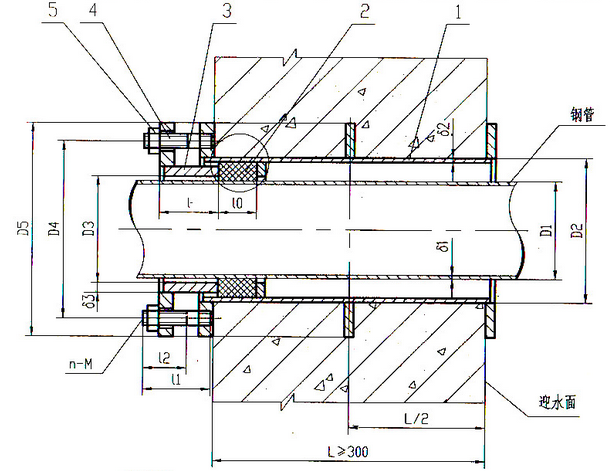
S312型柔性防水套管
標簽:該產品可按照客戶要求訂做,如需訂做請向客服提供您的參數表
華豐竭誠為您服務,熱線電話0371-64033589


產品簡介:
S312型柔性防水套管說明:
1 、本圖尺寸均以毫米來計。
2 、S312型柔性防水套管一般適用于管道穿過墻壁之處受有振動或有嚴密防水要求的構筑物。
3 、套管部分加工完成后,在其外壁均刷底漆一遍(底漆包括樟丹或冷底子油)。外層防腐由設計決定。
4 、套管穿墻處之墻壁,如遇非混凝土墻壁時應改用混凝土墻壁,其澆注混凝土范圍應比翼環直徑(D6 )大200mm ,而且必須將套管澆固與墻內。
5 、穿管處之混凝土墻厚應不小于300mm 否則應使墻壁一邊加厚或兩邊加厚。加厚部分的直徑*小應比翼環直徑(D6 )大200mm 。
6 、套管的材料重量是按墻厚L 值為300mm 計算,如墻厚大于300mm 應另行計算。
| Dg | D 1 | D 2 | D 3 | D 4 | D 5 | D 6 | D 7 | D 8 | D 9 | D 10 | e 0 | e | e 1 | e 2 | e 3 | C | δ 1 | δ 2 | δ 3 | b 1 | b 2 | b 3 | d | h | k | Φ | M | 螺孔 n |
| 50 | 60 | 70 | 90 | 91 | 137 | 177 | 100 | 108 | 109 | 99 | 60 | 60 | 70 | 50 | 12 | 18 | 4 | 4 | 10 | 14 | 10 | 10 | 20 | 5 | 4 | 14 | 12 | 4 |
| 70 | 73 | 83 | 103 | 104 | 150 | 190 | 113 | 121 | 122 | 112 | 60 | 60 | 70 | 50 | 12 | 18 | 4 | 4 | 10 | 14 | 10 | 10 | 20 | 5 | 4 | 14 | 12 | 4 |
| 80 | 89 | 99 | 121 | 122 | 177 | 217 | 131 | 140 | 141 | 130 | 60 | 60 | 75 | 55 | 14 | 2 | 4.5 | 4 | 11 | 16 | 10 | 10 | 20 | 5 | 4 | 18 | 16 | 4 |
| 100 | 108 | 118 | 140 | 141 | 196 | 236 | 150 | 159 | 160 | 149 | 60 | 60 | 75 | 55 | 14 | 2 | 4.5 | 4 | 11 | 16 | 10 | 10 | 20 | 5 | 4 | 18 | 16 | 4 |
| 125 | 133 | 141 | 161 | 162 | 217 | 257 | 169 | 180 | 181 | 168 | 50 | 60 | 75 | 50 | 16 | 2 | 5.5 | 4 | 10 | 18 | 10 | 10 | 16 | 5 | 4 | 18 | 16 | 8 |
| 150 | 159 | 165 | 185 | 186 | 240 | 280 | 191 | 203 | 204 | 190 | 50 | 60 | 75 | 50 | 16 | 2 | 6 | 4.5 | 10 | 18 | 10 | 10 | 16 | 6 | 5 | 18 | 16 | 8 |
| 200 | 219 | 229 | 249 | 250 | 310 | 350 | 259 | 273 | 274 | 258 | 60 | 60 | 75 | 50 | 16 | 2 | 7 | 6 | 10 | 20 | 10 | 15 | 20 | 6 | 5 | 18 | 16 | 8 |
| 250 | 273 | 281 | 301 | 302 | 362 | 402 | 309 | 325 | 326 | 308 | 50 | 60 | 75 | 50 | 16 | 2 | 8 | 7 | 10 | 20 | 10 | 15 | 16 | 8 | 7 | 18 | 16 | 12 |
| 300 | 325 | 332 | 352 | 353 | 422 | 462 | 359 | 377 | 378 | 358 | 50 | 60 | 80 | 55 | 16 | 25 | 9 | 8 | 10 | 20 | 10 | 15 | 16 | 8 | 7 | 23 | 20 | 12 |
| 350 | 377 | 383 | 401 | 402 | 471 | 511 | 407 | 426 | 427 | 406 | 50 | 60 | 85 | 55 | 20 | 25 | 9.5 | 9 | 9 | 22 | 10 | 15 | 16 | 8 | 7 | 23 | 20 | 12 |
| 400 | 426 | 434 | 454 | 455 | 525 | 565 | 462 | 480 | 481 | 461 | 50 | 60 | 85 | 55 | 20 | 25 | 9 | 9 | 10 | 24 | 10 | 15 | 16 | 8 | 7 | 23 | 20 | 16 |
| 450 | 480 | 486 | 506 | 507 | 575 | 615 | 512 | 530 | 531 | 511 | 50 | 60 | 85 | 60 | 20 | 25 | 9 | 9 | 10 | 24 | 12 | 15 | 16 | 8 | 7 | 23 | 20 | 16 |
| 500 | 530 | 540 | 560 | 561 | 633 | 673 | 570 | 588 | 589 | 569 | 60 | 75 | 95 | 65 | 20 | 25 | 9 | 9 | 10 | 25 | 12 | 15 | 20 | 8 | 7 | 23 | 20 | 16 |
| 600 | 630 | 640 | 660 | 661 | 737 | 787 | 670 | 688 | 689 | 669 | 60 | 75 | 95 | 65 | 22 | 25 | 9 | 9 | 10 | 26 | 12 | 20 | 20 | 10 | 9 | 25 | 22 | 20 |
| 700 | 720 | 730 | 750 | 751 | 827 | 877 | 760 | 778 | 779 | 759 | 60 | 75 | 110 | 75 | 25 | 25 | 9 | 9 | 10 | 28 | 12 | 20 | 20 | 10 | 9 | 25 | 22 | 24 |
| 800 | 820 | 830 | 850 | 851 | 937 | 987 | 860 | 878 | 879 | 859 | 60 | 75 | 110 | 75 | 25 | 35 | 9 | 9 | 10 | 28 | 12 | 20 | 20 | 10 | 9 | 30 | 21 | 24 |
| 900 | 920 | 930 | 950 | 951 | 1037 | 1087 | 960 | 978 | 979 | 959 | 60 | 75 | 110 | 75 | 27 | 35 | 9 | 9 | 10 | 30 | 12 | 20 | 20 | 10 | 9 | 30 | 21 | 24 |
| 1000 | 1020 | 1030 | 1050 | 1051 | 1137 | 1187 | 1060 | 1078 | 1079 | 1059 | 60 | 75 | 110 | 75 | 27 | 35 | 9 | 9 | 10 | 30 | 12 | 20 | 20 | 10 | 9 | 30 | 21 | 28 |
更多產品詳情可來電咨詢
聯系人:王先生 13783416000 魏女士 13683712868
上一篇:不銹鋼防水套管
下一篇:S312型剛性防水套管
版權所有:華豐管道 地址:河南省鞏義市西村開發區 服務熱線:0371-64033589 管理入口E-MAIL: 1696257948@qq.com 手機: 18638168566,13783416000
網站備案/許可證號: 豫ICP備11026537號-5
豫公網安備 41910102000259號 技術支持:鞏義開啟網絡
本網站支持新廣告法,為不影響客戶瀏覽,頁面區域用詞正在排查修改,本店所有頁面絕對化用詞和功能性用詞在此聲明前全部失效,不接受不妥協任何形式的絕對化用詞和功能性用詞賠付,希望各位消費者理解,職業打假人高抬貴手。 網站備案/許可證號: 豫ICP備11026537號-5
豫公網安備 41910102000259號 技術支持:鞏義開啟網絡

